sort by:
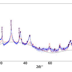
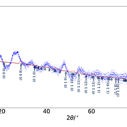
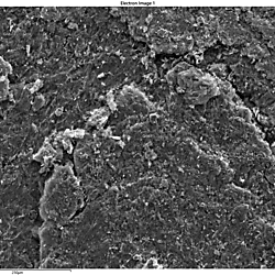
Quantitative phase analysis of powder X-ray diffraction patterns of Ti3C2Tz MXene synthesis products
dataset posted on 2025-04-28
dataset posted on 2025-04-28